Single-pole potentiometer
A single-pole potentiometer is a synchronous regulating potentiometer made of a resistive substrate. Its function in the circuit is to obtain an output voltage that is related to the input voltage (external voltage) in a certain way, hence it is called a potentiometer. The sliding resistor is a commonly used potentiometer in laboratories. This potentiometer is large in size, has high power, and the sliding part is visually intuitive. It can also be used as a current limiter.
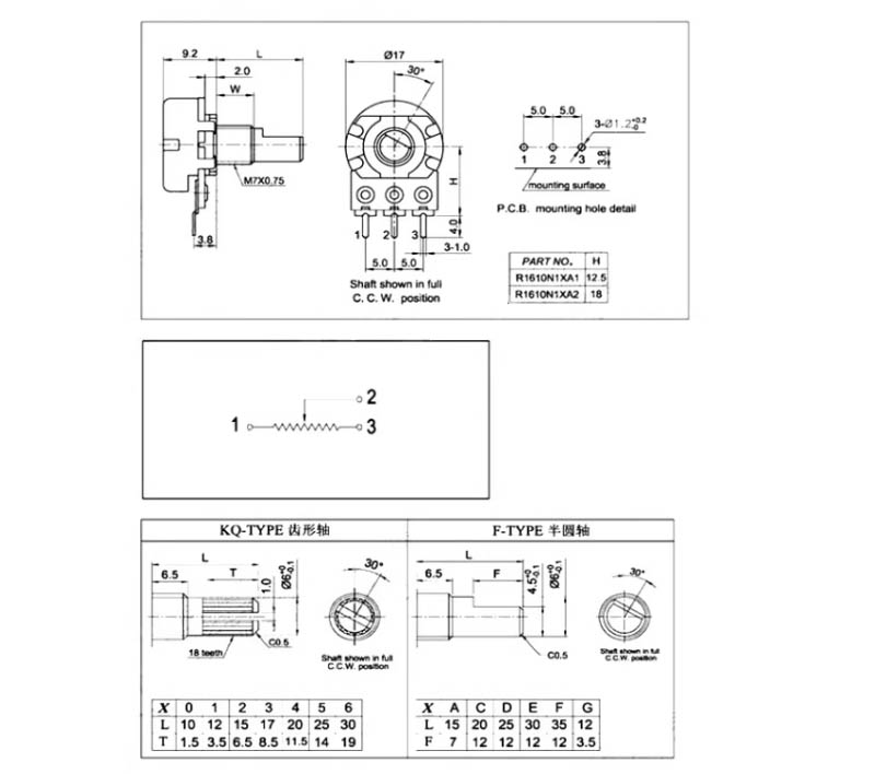
Rotation angle: 300° ±10°
Rotation torque: 10 – 200 gf.cm
Stop mechanism strength: 6.0 kgf.cm Min
Axial pull and push strength: 8.0 kgf.cm
Detent position: Center. 7/11/21/41
Point position torque: 50 – 150 gf.cm
Resistance range: 10 Ω ~ 1 MΩ
Resistance tolerance: ±20% (more than 1 MΩ ± 30%)
Load power: Curve B: 0.05 W, others than B: 0.025 W
Operating voltage: Curve B: 50 DC, others than B: 25 V AC
Residual resistance: R ≥25KPINGCON of total tesistance 250ΚΩ>R>10KΩ20Ω max 20ΚΩ>R10KΩmax
Insulation Resistance: More than 100 MΩ at DC 250V for 1 minute
Withstand Voltage: 1 minute AC 250V
Synchronization Error: -40 to -30 dB < ±3 dB
Rotary Noise: Less than 100 mV
Rotary Life: 10,000 cycles

Dual potentiometer
What is a dual potentiometer? A dual potentiometer is actually a combination of two independent potentiometers. In a circuit, it can adjust two different operating point voltages or signal intensities. For example, the volume control potentiometer in a dual-channel audio amplifier circuit is a dual potentiometer that can separately adjust the volume of both channels.
Rotation angle: 300° ±10°
Rotation torque: 10 – 200 gf.cm
Stop mechanism strength: 6.0 kgf.cm Min
Axial pull force strength: 8.0 kgf.cm
Detent position: Center. 7/11/21/41
Point position torque: 50 – 150 gf.cm
Resistance range: 10 Ω ~ 1 MΩ
Resistance tolerance: ±20% (more than 1 MΩ ±30%)
Load power: Curve B: 0.05 W, other than B: 0.025 W
Operating voltage: Curve B: 50 V DC, other than B: 0.025 W

Contact me and I will customize it according to your requirements~
Whatsapp: +86 17197601206











Reviews
There are no reviews yet.